- 快召唤伙伴们来围观吧
- 微博 QQ QQ空间 贴吧
- 文档嵌入链接
- 复制
- 微信扫一扫分享
- 已成功复制到剪贴板
14 计算机组成--寄存器文件结构
展开查看详情
1 .Register file construction Creating read ports
2 .Creating write port
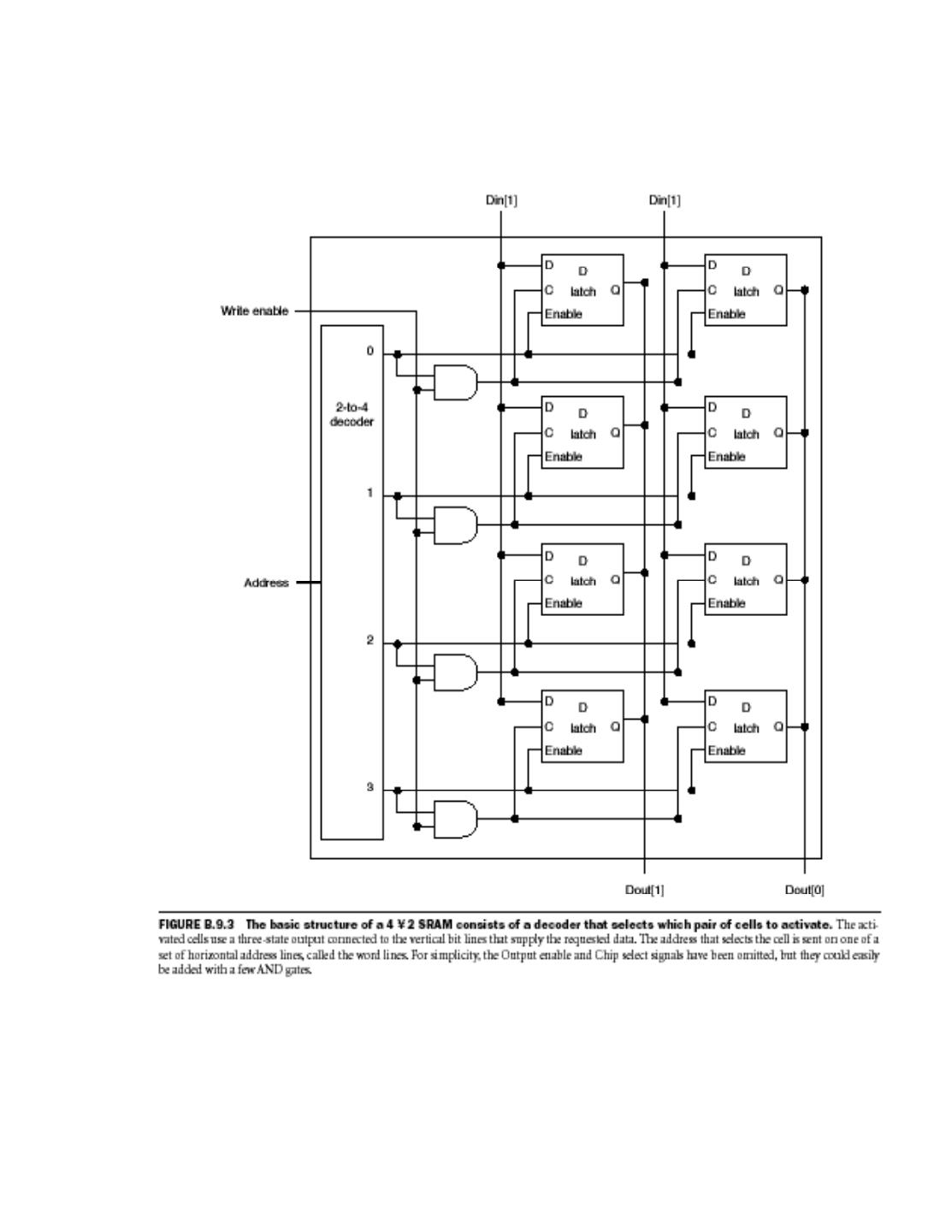
3 .Main Memory Address Processor MEMORY write Data in Data out read Memory ROM (Read only memory) RAM (Random Access Memory) SRAM (cache memory) DRAM (Main memory)
4 .Typical sizes of SRAM are (32 or 64 or 128 or 256) x (1 or 2 or 4 or 8 bits) address chip select SRAM output enable data out 32K x 8 bits write enable data in How many lines are there in address, data in and data out?
5 .
6 .32K x 1 bit RAM using 4 8K x 1 RAMs Data in A12-A0 addr 00 CE 01 in A14-A13 10 addr 11 CE 2-4 in decoder addr CE in addr CE in Data out For each chip, the write enable line is set to 1 during a write operation, and the output enable lines are set to 1 during a read operation.
7 .32Kx 4 bit RAM using 32K x 1 bit RAMs Data in A14-A0 Addr Addr Addr Addr out out in in out out in in Data out For each chip, the write enable line is set to 1 during a write operation, and the output enable lines are set to 1 during a read operation.








